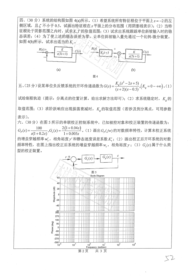
广东工业大学810自控原理2011年考研试题猴哥6个月前发布关注私信0.27MB4页04363广东工业大学810自控原理2011年考研试题此内容为免费资源,请登录后查看¥0 登录查看免费资源 第1页 / 共4页 第2页 / 共4页 第3页 / 共4页 该文档为免费文档,您可直接下载完整版进行阅读 © 版权声明文章版权归作者所有,未经允许请勿转载。THE END《广东工业大学》(810)自控原理考研资料考研专业课 喜欢就支持一下吧点赞63赞赏 分享QQ空间微博QQ好友海报分享复制链接收藏
暂无评论内容