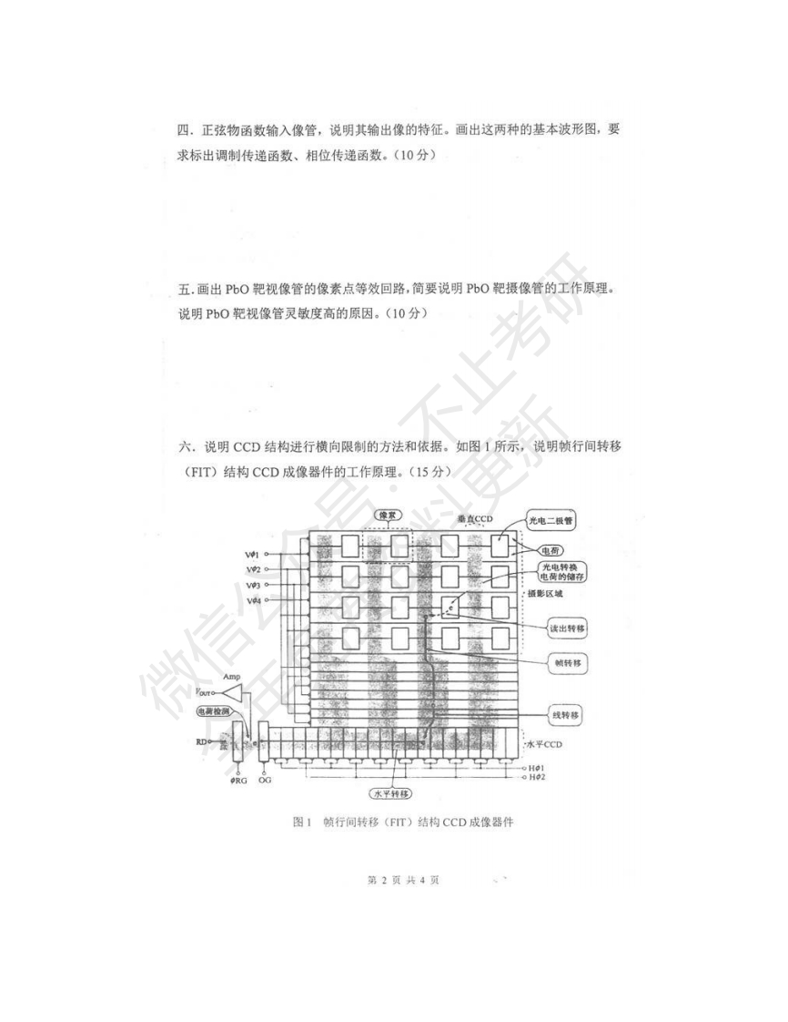
南京理工大学820光电基础历年考研真题猴哥6个月前发布关注私信5.25MB33页07237南京理工大学820光电基础历年考研真题此内容为免费资源,请登录后查看¥0 登录查看免费资源 第1页 / 共33页 第2页 / 共33页 第3页 / 共33页 该文档为免费文档,您可直接下载完整版进行阅读 © 版权声明文章版权归作者所有,未经允许请勿转载。THE END《南京理工大学》(820)光电基础考研资料考研专业课 喜欢就支持一下吧点赞37赞赏 分享QQ空间微博QQ好友海报分享复制链接收藏
暂无评论内容