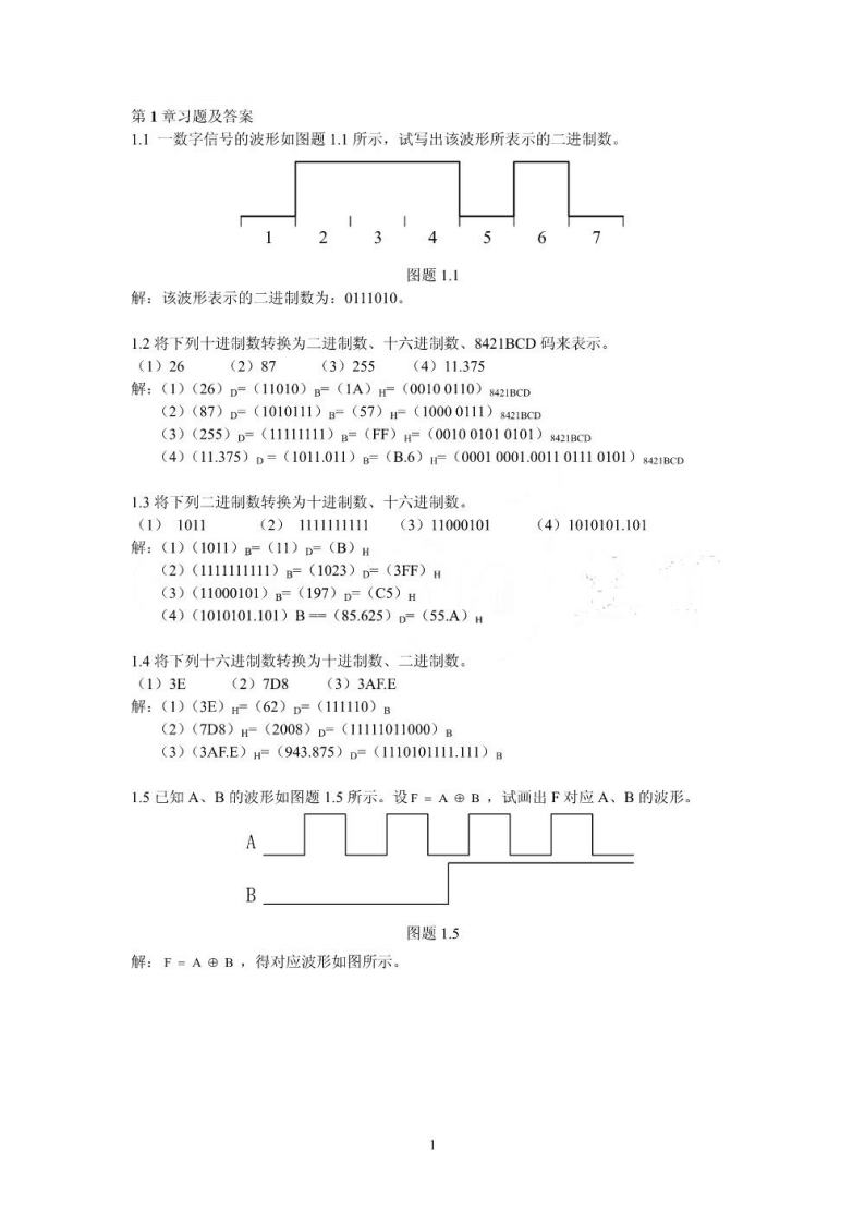
【数字电子技术基础】习题答案猴哥6个月前发布关注私信4.11MB48页03050【数字电子技术基础】习题答案此内容为免费资源,请登录后查看¥0 登录查看免费资源 第1页 / 共48页 第2页 / 共48页 第3页 / 共48页 该文档为免费文档,您可直接下载完整版进行阅读 © 版权声明文章版权归作者所有,未经允许请勿转载。THE END《数字电子技术基础》学习资料合集期末复习 喜欢就支持一下吧点赞50赞赏 分享QQ空间微博QQ好友海报分享复制链接收藏
暂无评论内容