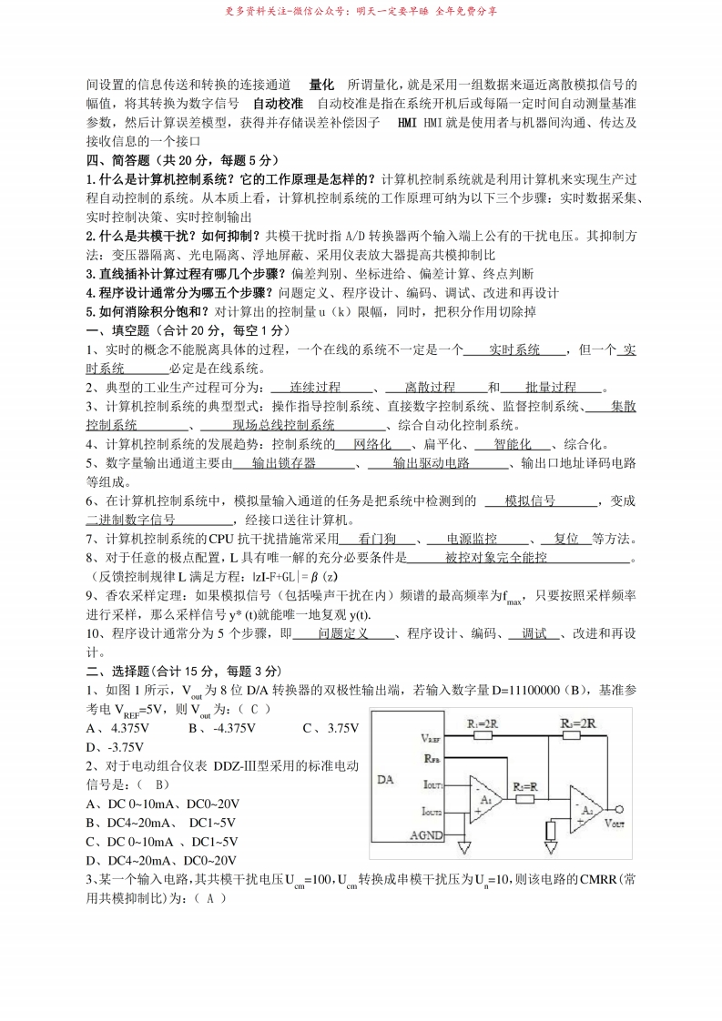
计算机控制技术试卷及答案猴哥6个月前发布关注私信3.82MB4页07923计算机控制技术试卷及答案此内容为免费资源,请登录后查看¥0 登录查看免费资源 第1页 / 共4页 第2页 / 共4页 第3页 / 共4页 该文档为免费文档,您可直接下载完整版进行阅读 © 版权声明文章版权归作者所有,未经允许请勿转载。THE END《计算机控制技术》学习资料合集期末复习 喜欢就支持一下吧点赞23赞赏 分享QQ空间微博QQ好友海报分享复制链接收藏
暂无评论内容