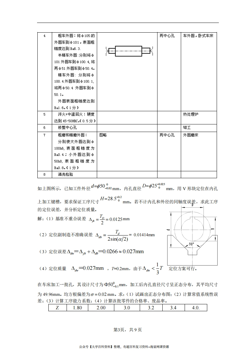
机械制造技术基础典型例题(精心整理)猴哥6个月前发布关注私信1.06MB23页08454机械制造技术基础典型例题(精心整理)此内容为免费资源,请登录后查看¥0 登录查看免费资源 第1页 / 共23页 第2页 / 共23页 第3页 / 共23页 该文档为免费文档,您可直接下载完整版进行阅读 © 版权声明文章版权归作者所有,未经允许请勿转载。THE END《机械制造基础》学习资料合集 期末复习 喜欢就支持一下吧点赞54赞赏 分享QQ空间微博QQ好友海报分享复制链接收藏
暂无评论内容