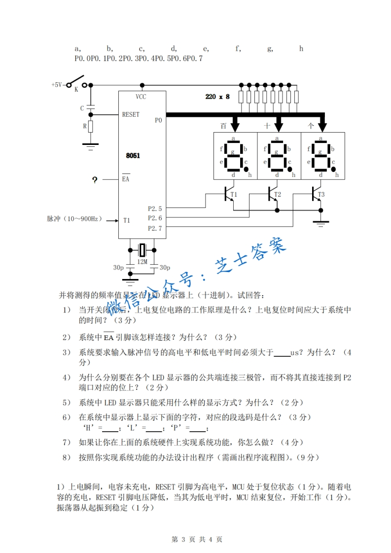
西南科技大学《单片机原理及应用》2008-2009学年第二学期期末试卷B卷猴哥6个月前发布关注私信0.92MB4页04611西南科技大学《单片机原理及应用》2008-2009学年第二学期期末试卷B卷此内容为付费资源,请付费后查看10积分年度会员免费月享会员免费登录购买付费资源已售 50 第1页 / 共4页 第2页 / 共4页 第3页 / 共4页 试读已结束,还剩1页,您可下载完整版后进行离线阅读 © 版权声明文章版权归作者所有,未经允许请勿转载。THE END《西南科技大学》期中期末历年真题期末试卷 喜欢就支持一下吧点赞11赞赏 分享QQ空间微博QQ好友海报分享复制链接收藏
暂无评论内容