

第1页 / 共5页

第2页 / 共5页

第3页 / 共5页
试读已结束,还剩2页,您可下载完整版后进行离线阅读
© 版权声明
文章版权归作者所有,未经允许请勿转载。
THE END
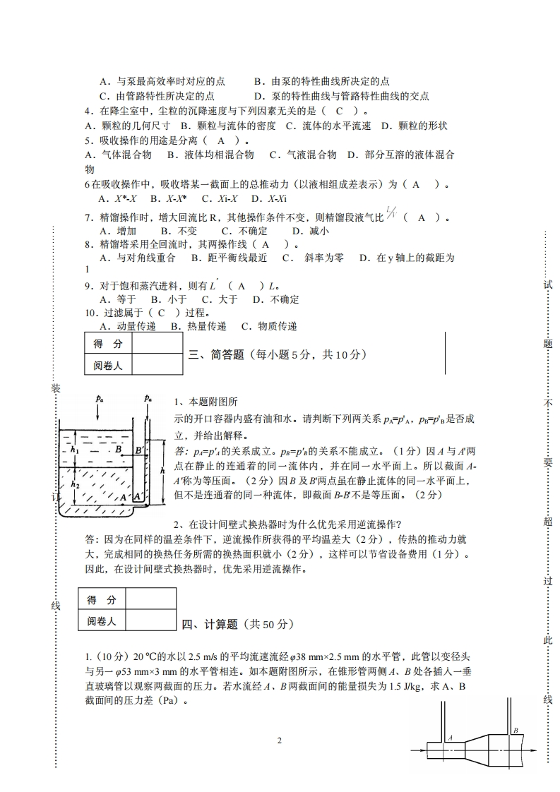
重庆大学2020-2021学年第二学期课程考试试卷(A卷)课程化工原理授课教师考试时间考试班级学号姓名题号二三四总分得分...注:请考生务必将答案写在答题纸上装得分、填空题(每空1分,共20分)》试阅卷人1.某设备上,真空度为80mmHg,该地区的大气压为20mmHg。其绝对压力-①87mH0=②853x10Pa.。2.某工厂为了控制乙炔发生炉内的压力不超过13.3kPa(表压),在炉外装一安全液封管(又称水封)装置,此炉的安全液订封管应插入槽内水面下的深度h是①1m。3.流体在圆管内流动时的摩擦阻力可分为①直管阻力和②局部阻力两种。4.在非均相物系中,处于分散状态的物质称为①分散,处于连续状态状态的物质称为连续。5.离心泵与往复泵的启动的不同之处是离心泵启动前需要①灌泵。6.传热的基本方式有①热传呈②对流传热③热辐射。要7.蒸汽冷凝有二种方式,即①膜状诊凝和②滴状冷凝。其中③滴状冷凝传热效果好。线8.某化工厂用河水在一间壁式换热器内冷凝有机蒸汽,经过一段时间运行后,发现换热器的传热效果明显下降,分析主要原因是①传热面产生了污垢热阻(或有污垢热阻)。9.压力①升高温度②隆低将有利于吸收的进行。超10.若某气体在水中的亨利系数E值很大,说明该气体为难溶气体。11.蒸馏是分离①液体混合物的一种方法,其分离依据是混合物中各组分的②挥发度的差得分二、选择题(每小题2分,共20分)阅卷人1.一管路由直径为Φ57×3.5mm的细管逐渐扩大到108×4mm的粗管,若流体在细管内的流速为4m/s,则在粗管内的流速为(B)。此A.2m/s B.1m/s C.0.5m/s D.0.25m/s2.湍流与层流的本质区别是(C)。A.湍流的流速大于层流的B.湍流的Re值大于层流的C.层流无径向脉动,湍流有径向脉动D.湍流时边界层较薄线3.离心泵的工作点是指(D)。
暂无评论内容